Avago Technologies, proveedor de componentes de interfaces analógicas para aplicaciones de comunicaciones, industriales y para consumidores, anuncia dos nuevas series de dispositivos optoacopladores para accionamiento de puertas de alta velocidad, los modelos ACPL-P/W347 y ACPL-P/W349.
Estos dispositivos son optoacopladores de 1,0 A y 2,5 A, diseñados para proteger y accionar semiconductores de potencia de conmutación rápida de última generación tales como MOSFET e IGBTs de Carburo de Silicio (SiC) y Nitruro de Galio (GaN), en aplicaciones como inversores de corriente, accionadores motorizados y fuentes de alimentación conmutadas (SPS).
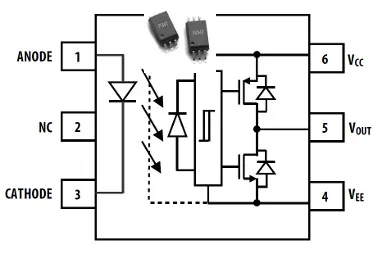
En comparación con la generación anterior de optoacopladores para accionamiento de puertas de Avago, los ACPL-P/W347 y ACPL-P/W349 admiten un mayor voltaje de funcionamiento de las puertas de hasta 30 V, lo que posibilita un mayor voltaje para accionar aplicaciones de alta potencia.
Características destacadas de los optoacopladores para accionamiento de puertas
- Retardo de propagación máximo de 110 ns.
- Amplio intervalo de VCC de funcionamiento: de 15 a 30 V.
- Voltaje de salida riel a riel.
- 2,5 A de corriente de salida pico máxima (ACPL-P/W349).
- 1,0 A de corriente de salida pico máxima (ACPL-P/W347).
- Bloqueo en caso de bajo voltaje (ULVO) con histéresis.
- 50 kV/μs de rechazo alto al modo común mínimo (CMR).
- Pequeño encapsulado SO6 alargado que reduce al mínimo el espacio y el coste de la placa PCB.
- Certificados de seguridad de UL, CSA e IEC: IEC/EN/DIN EN 60747-5-5: VIORM = 891 VPEAK (ACPL-P347/349), VIORM = 1,140 VPEAK (ACPL-W347/349), UL1577: VISO = 3,750 VRMS (ACPL-P347/349), VISO = 5,000 VRMS (ACPL-W347/349).
A medida que los MOSFET de SiC y GaN son adoptados por el mercado y amplían su presencia en las aplicaciones industriales de mayor potencia, los optoacopladores para accionamiento de puertas de rendimiento peofesional, como los ACPL-P/W347 y ACPL-P/W349 de Avago, son el complemento perfecto de estos semiconductores de potencia de conmutación rápida a la hora de ofrecer la máxima eficiencia en la conversión de potencia.











