Mouser Electronics, una filial de TTI, y distribuidor global de semiconductores y componentes electrónicos, anuncia que su representada Freescale Semiconductor ha presentado el MCR20AVHM, un transceptor de radiofrecuencia 802.15.4 de 2,4 GHz para su línea de microcontroladores Kinetis.
Este dispositivo permite a los MCUs de Freescale disponer de capacidad de conectividad inalámbrica para aplicaciones de automatización del hogar y control industrial.
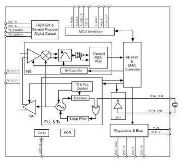
Con soporte para múltiples redes inalámbricas malladas, el transceptor MCR20AVHM puede ser combinado con un MCU Kinetis basado en una CPU ARM Cortex-M0+ y la tecnología Cortex-M4 para la implementación de protocolos inalámbricos de baja potencia y aplicaciones, incluyendo Thread, ZigBee y múltiples soluciones propietarias.
Este nuevo transceptor de radiofrecuencia para microcontroladores ofrece un buen rendimiento de radiofrecuencia, operando con bajo consumo, provoca un escaso impacto (pequeño tamaño de huella) y se integra de forma fácil con los microcontroladores de la gama Kinetis de Freescale.
Dispone de un generador de números aleatorios de 128 bits, y soporta diversos tipos de antenas single ended y fast diversity.
Con estas características, el transceptor de radiofrecuencia MCR20AVHM está pensado para dotar a dispositivos ya existentes en el mercado de conectividad a Internet para que pasen a formar parte de la IoT.
Este nuevo transceptor también cuenta con funcionalidad PAN dual por hardware, que permite la comunicación con múltiples redes a través de una sola radio, así como la diversidad de antenas para un rendimiento de radiofrecuencia robusto en ambientes hostiles.
Presenta también flexibilidad al permitir combinar con múltiples microcontroladores para adaptarse mejor a las necesidades de la aplicación.
Su temperatura operativa va de los -40 hasta los +105 grados centígrados, y el voltaje necesario para alimentarlo se encuentra entre los 1,8 y los 3,6 V.
Diseño con el transceptor de radiofrecuencia
Para el desarrollo de sistemas, Freescale ha previsto el uso de las placas KL46 y K64F Freedom. El software necesario, como los controladores, se encuentran en el Kinetis Software Development Kit, el cual también extiende la compatibilidad y portabilidad a los demás dispositivos Kinetis más allá de las placas antes mencionadas.
La disponibilidad de este transceptor de radiofrecuencia está prevista para principios de junio de este mismo año.











