Linear Technology Corporation anuncia el LT3088, un robusto regulador lineal de 36 V y 800 mA con un amplio rango de tensiones de entrada. El dispositivo tiene una zona más amplia de funcionamiento seguro (safe operating area, SOA) si se compara con los reguladores existentes, por lo que es ideal para aplicaciones con una alta tensión entre entrada y salida y alta corriente de salida en las cuales los reguladores más antiguos limitan la salida.
El regulador lineal de 36 V y 800 mA utiliza como referencia una fuente de corriente para ajustar la tensión de salida con una sola resistencia a partir de 0 V. Esta arquitectura de regulador, junto con la regulación de línea y de carga del orden de unos pocos milivoltios, permite conectar en paralelo varios circuitos integrados de forma sencilla para dispersar el calor y obtener una corriente de salida más elevada.
El LT3088 logra una incomparable regulación de línea y carga inferior a 2 mV con independencia de la tensión de salida y su rango de tensiones de entrada es de 1,2 V a 36 V. El dispositivo resulta muy indicado para aplicaciones que requieran varios carriles de alimentación.
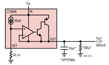
La tensión de salida es programable con una sola resistencia entre 0 V y 34,5 V con una tensión de desexcitación (dropout) de 1,2 V. La referencia de corriente de 50 µA ajustada en el propio chip tiene una precisión del ±1%. La regulación, la respuesta a transitorios y el ruido de salida (27 µVRMS) son independientes respecto a la tensión de salida debido a la arquitectura de seguidor de tensión del dispositivo. El regulador lineal de 36 V y 800 mA se puede configurar fácilmente como regulador de 3 terminales, sus encapsulados SOT-223 y DD-Pak se adaptan a las configuraciones estándar del mercado, como el LT1117, pero con unas prestaciones superiores.
Formatos del regulador lineal de 36 V y 800 mA
El LT3088 se suministra en diversos encapsulados térmicamente mejorados y compatibles con montaje en superficie, entre ellos un DFN de bajo perfil (0,75 mm) y 8 terminales que mide 3 x 3 mm, un SOT-223 de 3 terminales y un DD-Pak de 3 terminales, que permiten disipar una potencia de hasta 2 W en aplicaciones de montaje en superficie sin disipador. Se ofrecen diversos grados y rangos de temperatura, entre ellos los grados E e I entre –40 °C y +125 °C, el grado H de alta fiabilidad entre –40 °C y +150 °C y el grado militar MP entre –55 °C y +150 °C.











