El HT7L4811 se caracteriza por elevado factor de potencia y alta precisión de corriente de salida.
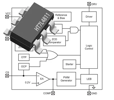
Holtek, empresa representada por Anatronic, ha anunciado el lanzamiento de su nuevo convertidor DC-DC de tipo buck no aislado HT7L4811, un driver para aplicaciones LED que ha sido diseñado específicamente para uso con sistemas de iluminación LED (tubos, bombillas y alumbrado público).
Este nuevo dispositivo es un driver para aplicaciones LED que se caracteriza por elevado factor de potencia y alta precisión de corriente de salida. También destaca por requerir menos componentes externos y ser “insensible” a los cambios de temperatura ambiente, con unos paramentos de sistema muy sencillos.
Su tecnología exclusiva de control puede gestionar valores de corriente LED de forma precisa para que el sistema mantenga unas condiciones de salida estable, incluso en condiciones de variaciones de tensión de entrada.
El elevado Power Factor (PF) del HT7L4811, con valores de PF>0.9, garantiza un excelente rendimiento bajo cualquier condición de entrada de tensión.
El driver puede operar en modo boundary conduction que ayuda a reducir las pérdidas de conmutación del sistema y mejorar las características EMI. La ultra baja corriente start-up y quiescente de sistema también minimiza las pérdidas de potencia innecesaria e incrementa la eficiencia.
Las funciones de seguridad incluyen límite de corriente de ciclo a ciclo y protección ante corte de salida y elevación de tensión y temperatura, entre otras.
Como utilizar el driver para aplicaciones LED
El HT7L4811, que se suministra en un encapsulado SOT-23-6, se convierte en la solución ideal para proporcionar elevada eficiencia y conversión de bajo coste en aplicaciones de iluminación LED.










