Mouser Electronics, una filial de TTI, y distribuidor global de semiconductores y componentes electrónicos, es el primer distribuidor autorizado en suministrar el nuevo FAN7688 de Fairchild Semiconductor, un controlador LLC resonante avanzado con rectificación síncrona (SR por sus siglas en inglés) que proporciona la mejor eficiencia para conversores de corriente continua a corriente continua (DC-DC) aislados.
Gracias a sus capacidades, el FAN7688 dota a los fabricantes de la herramienta necesaria para mejorar la fiabilidad y la eficiencia de las fuentes de alimentación integradas en aplicaciones de servidores, telecomunicaciones, PC, TV y en dispositivos de uso industrial.
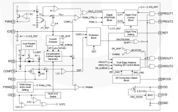
El FAN7688 incorpora la innovadora tecnología de control de corriente de carga de Fairchild, la cual permite al dispositivo utilizar el modo de control de la corriente, en contraposición al modo de control del voltaje que es el utilizado tradicionalmente en las demás soluciones LLC.
Como el primer y, hasta ahora, único controlador LLC resonante de la industria con modo de control de corriente y SR, el FAN7688 de Fairchild facilita una regulación de salida más rápida y estrecha contra cargas transitorias y, además, simplifica el bucle de control. Esto hace que el diseño en las fuentes de alimentación sea más fácil que los tradicionales controladores LLC resonantes.
Además, el Adaptive Dual Edge Secondary Side Synchronous Rectifier Control de este controlador LCC con modo de control de corriente y rectificación síncrona garantiza una alta fiabilidad y operación SR estable tanto en la carga como en la línea transitorias.
El modo de control de corriente del FAN7688 consiste en una técnica basada en el control de carga, proporcionando una mejor función de transferencia de control-a-salida de la etapa de potencia, simplificando el diseño del bucle de retroalimentación, lo cual permite una verdadera capacidad de limitación de la potencia de entrada.
La función soft-start en bucle cerrado permite un incremento monotónico del voltaje de salida independientemente de las condiciones de carga. El control de seguimiento de doble filo adaptativo para tiempos muertos minimiza el tiempo de conducción del cuerpo del diodo, maximizando con ello la eficiencia.
Otras características del nuevo controlador LCC
Incorpora múltiples características para asegurar una alta eficiencia en aplicaciones de suministro de energía; de forma típica, un 97% para la entrada de 400V y aplicaciones de salida de 12V.
La eficiencia del FAN7688 también se ve reforzada por su amplio conjunto de funciones de protección, incluyendo protección por exceso de carga, por sobreintensidad de corriente, por salida corta y por sobretensión.











