Linear Technology Corporation presenta el LT3089, un regulador lineal robusto de 800 mA con un amplio rango de tensión de entrada y características clave de funcionabilidad, monitorización y protección.
El dispositivo tiene una amplia área de funcionamiento seguro (SOA en inglés), haciéndolo ideal para aplicaciones con grandes diferencias entre las tensiones de entrada y salida junto con corrientes altas, donde los reguladores más antiguos limitarían la salida. Utiliza una referencia basada en una fuente de corriente para establecer la tensión de salida con una sola resistencia y poder ajustar la salida hasta 0 V. El límite de corriente de salida se ajusta con una sola resistencia.
La arquitectura reguladora combinada con regulaciones de línea y carga de mili voltios permiten usar múltiples circuitos integrados en paralelo para distribuir calor y aumentar la corriente de salida. La corriente del monitor de corriente interno puede añadirse a la corriente establecida para compensar las pérdidas de línea, aquí la tensión de salida del LT3089 aumenta para compensar las perdidas resistivas de los cableados y pistas de PCB.
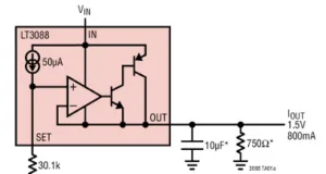
Así, este nuevo regulador lineal robusto logra una regulación inigualable de línea y de carga de menos de 2 mV, con independencia de la corriente de salida, y tiene un rango de tensión de entrada de entre 1,2 y 36 V. El dispositivo encaja perfectamente en aplicaciones con salidas múltiples. La tensión de salida es programable a través de una sola resistencia de entre 0 y 34,5 V con una caída de tensión entre VIN y Vout de 1,2 V. La referencia interna de 50 µA de corriente tiene una precisión de ±1%. La regulación, respuesta transitoria y ruido de salida (27µVRMS) son independientes de la tensión de salida debido a la arquitectura seguidora de tensión.
Opciones en el regulador lineal robusto
Este nuevo dispositivo puede ser configurado como fuente de corriente de dos terminales con solo dos resistencias. Los condensadores de entrada o salida para obtener estabilidad son opcionales tanto en modo regulador lineal como en modo fuente de corriente.
El LT3089 provee varias funciones de monitorización y protección. El límite de corriente se programa con una sola resistencia. Las salidas de monitorización proveen una corriente de salida proporcional a la temperatura (1µA/°C) y a la corriente de salida (200 µA/A), facilitando así la medición con referencia a masa. El monitor de corriente puede ser usado para compensar las pérdidas del cableado. Los circuitos internos del LT3089 incluyen protección contra tensión invertida en la entrada y corriente invertida, límite de corriente interno y apagado térmico.
El LT3089 se presenta en varios encapsulados de montaje en superficie mejorados térmicamente, incluyendo un DFN de 4 x 4mm de 12 pines de perfil bajo (0,75mm), un TSSOP de 16 pines mejorado térmicamente y un DD-Pak de 7 pines; todos ellos capaces de disipar 2 W sin disipador.










