Introducción.
Los problemas que vienen presentando los transistores bipolares o BJT, como son la corriente que soportan y la dependencia de la temperatura a la que se ven sometidos, unas veces por su emplazamiento, otras por un mal trazado y la mas evidente, el efecto llamado de avalancha. Estas evidencias, han llevado a que se sustituyan por otros transistores más avanzados, hasta la llegada de los MOSFET.
Las ventajas que presentan este tipo de transistor, han llevado a que ocupen un lugar importante dentro de la industria, desplazando a los viejos BJT a otros fines. Los MOSFET de potencia son muy populares para aplicaciones de baja tensión, baja potencia y conmutación resistiva en altas frecuencias, como fuentes de alimentación conmutadas, motores sin escobillas y aplicaciones como robótica, CNC y electrodomésticos.
La mayoría de sistemas como lámparas, motores, drivers de estado sólido, electrodomésticos, etc. utilizan dispositivos de control, los cuales controlan el flujo de energía que se transfiere a la carga. Estos dispositivos logran alta eficiencia variando su ciclo de trabajo para regular la tensión de salida. Para realizar la parte de conmutación, existen varios dispositivos semiconductores, a continuación se muestra una tabla con algunos de ellos.
La siguiente es una tabla comparativa de las diversas capacidades entre potencia y velocidad de conmutación de los tipos de dispositivos.
Los transistores MOSFET.
Vamos a estudiar un transistor cuyo funcionamiento no se basa en uniones PN, como el transistor bipolar, ya que en éste, el movimiento de carga se produce exclusivamente por la existencia de campos eléctricos en el interior del dispositivo. Este tipo de transistores se conocen como, efecto de campo JFET (del inglés, Juntion Field Effect Transistor).
El transistor MOSFET, como veremos, está basado en la estructura MOS. En los MOSFET de enriquecimiento, una diferencia de tensión entre el electrodo de la Puerta y el substrato induce un canal conductor entre los contactos de Drenador y Surtidor, gracias al efecto de campo. El término enriquecimiento hace referencia al incremento de la conductividad eléctrica debido a un aumento de la cantidad de portadores de carga en la región correspondiente al canal, que también es conocida como la zona de inversión.
La estructura MOS.
La estructura MOS esta compuesta de dos terminales y tres capas: Un Substrato de silicio, puro o poco dopado p o n, sobre el cual se genera una capa de Oxido de Silicio (SiO2) que, posee características dieléctricas o aislantes, lo que presenta una alta impedancia de entrada. Por último, sobre esta capa, se coloca una capa de Metal (Aluminio o polisilicio), que posee características conductoras. En la parte inferior se coloca un contacto óhmico, en contacto con la capsula, como se ve en la figura.
La estructura MOS, actúa como un condensador de placas paralelas en el que G y B son las placas y el óxido, el aislante. De este modo, cuando VGB=0, la carga acumulada es cero y la distribución de portadores es aleatoria y se corresponde al estado de equilibrio en el semiconductor.
Cuando VGB>0, aparece un campo eléctrico entre los terminales de Puerta y substrato. La región semiconductora p responde creando una región de empobrecimiento de cargas libres p+ (zona de deplexión), al igual que ocurriera en la región P de una unión PN cuando estaba polarizada negativamente. Esta región de iones negativos, se incrementa con VGB.
Al llegar a la región de VGB, los iones presentes en la zona semiconductora de empobrecimiento, no pueden compensar el campo eléctrico y se provoca la acumulación de cargas negativas libres (e–) atraídos por el terminal positivo. Se dice entonces que la estructura ha pasado de estar en inversión débil a inversión fuerte.
El proceso de inversión se identifica con el cambio de polaridad del substrato, debajo de la región de Puerta. En inversión fuerte, se forma así un CANAL de e– libres, en las proximidades del terminal de Puerta (Gate) y de huecos p+ en el extremo de la Puerta.
La intensidad de Puerta IG, es cero puesto que, en continua se comporta como un condensador (GB). Por lo tanto, podemos decir que, la impedancia desde la Puerta al substrato es prácticamente infinita e IG=0 siempre en estática. Básicamente, la estructura MOS permite crear una densidad de portadores libres suficiente para sustentar una corriente eléctrica.
MOSFET de enriquecimiento de CANAL N.
Bajo el terminal de Puerta existe una capa de óxido (SiO2) que impide prácticamente el paso de corriente a su través; por lo que, el control de puerta se establece en forma de tensión. La calidad y estabilidad con que es posible fabricar estas finas capas de óxido es la principal causa del éxito alcanzado con este transistor, siendo actualmente el dispositivo más utilizado.
Además, este transistor ocupa un menor volumen que el BJT, lo que permite una mayor densidad de integración. Comencemos con la estructura básica del MOSFET, seguido de sus símbolos.
Se trata de una estructura MOS, de cuatro terminales, en la que el substrato semiconductor es de tipo p poco dopado. A ambos lados de la interfase Oxido-Semiconductor se han practicado difusiones de material n, fuertemente dopado (n+).
Cuando se aplica una tensión positiva al terminal de puerta de un MOSFET de tipo N, se crea un campo eléctrico bajo la capa de óxido que incide perpendicularmente sobre la superficie del semiconductor P. Este campo, atrae a los electrones hacia la superficie, bajo la capa de óxido, repeliendo los huecos hacia el sustrato. Si el campo eléctrico es muy intenso se logra crear en dicha superficie una región muy rica en electrones, denominada canal N, que permite el paso de corriente de la Fuente al Drenador. Cuanto mayor sea la tensión de Puerta (Gate) mayor será el campo eléctrico y, por tanto, la carga en el canal. Una vez creado el canal, la corriente se origina, aplicando una tensión positiva en el Drenador (Drain) respecto a la tensión de la Fuente (Source).
En un MOSFET tipo P, el funcionamiento es a la inversa, ya que los portadores son huecos (cargas de valor positivas, el módulo de la carga del electrón). En este caso, para que exista conducción el campo eléctrico perpendicular a la superficie debe tener sentido opuesto al del MOSFET tipo N, por lo que la tensión aplicada ha de ser negativa. Ahora, los huecos son atraídos hacia la superficie bajo la capa de óxido, y los electrones repelidos hacia el sustrato. Si la superficie es muy rica en huecos se forma el canal P. Cuanto más negativa sea la tensión de puerta mayor puede ser la corriente (más huecos en el canal P), corriente que se establece al aplicar al terminal de Drenador una tensión negativa respecto al terminal de Fuente. La corriente tiene sentido opuesto a la de un MOSFET tipo N.

Si con tensión de Puerta nula no existe canal, el transistor se denomina de acumulación; y de vaciamiento en caso contrario. Mientras que la tensión de Puerta a partir de la cual se produce canal, se conoce como tensión umbral, VT. El terminal de sustrato sirve para controlar la tensión umbral del transistor, y normalmente su tensión es la misma que la de la Fuente.
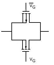
El transistor MOS es simétrico: los terminales de Fuente y Drenador son intercambiables entre sí. En el MOSFET tipo N el terminal de mayor tensión actúa de Drenador (recoge los electrones), siendo el de menor tensión en el tipo P (recoge los huecos). A modo de resumen, la figura anterior, muestra el funcionamiento de un transistor MOS tipo N de enriquecimiento.
El símbolo más utilizado para su representación a nivel de circuito se muestra en la figura siguiente. La flecha entre el terminal de Fuente y Gate, nos informa sobre el sentido de la corriente.
En la estructura MOS de la siguiente figura, aparecen diversas fuentes de tensión polarizando los distintos terminales: VGS, VDS. Los terminales de substrato (B) y Fuente (S) se han conectado a GND. De este modo, VSB=0 (tensión Surtidor-sustrato=0) , se dice que no existe efecto substrato.
Según los valores que tome la tensión VGS, se pueden considerar tres casos:
1) VGS=0. Esta condición implica que VGS=0, puesto que VSB=0. En estas condiciones, no existe efecto campo y no se crea el canal de e–, debajo de la Puerta. Las dos estructuras PN se encuentran cortadas (B al terminal más negativo) y aisladas. IDS=0 aproximadamente, pues se alimenta de las intensidades inversas de saturación.
2) La tensión VGS>0, se crea la zona de empobrecimiento o deplexión en el canal. Se genera una carga eléctrica negativa e– en el canal, debido a los iones negativos de la red cristalina (similar al de una unión PN polarizada en la región inversa), dando lugar a la situación de inversión débil anteriormente citada. La aplicación de un campo eléctrico lateral VDS>0, no puede generar corriente eléctrica IDS.
3) La tensión VGS>>0, da lugar a la inversión del canal y genera una población de e– libres, debajo del oxido de Puerta y p+ al fondo del substrato. Se forma el CANAL N o canal de electrones, entre el Drenador y la Fuente (tipo n+) que, modifica las característica eléctricas originales del sustrato. Estos electrones, son cargas libres, de modo que, en presencia de un campo eléctrico lateral, podrían verse acelerados hacia Drenador o Surtidor. Sin embargo, existe un valor mínimo de VGS para que el número de electrones, sea suficiente para alimentar esa corriente, es VT, denominada TENSIÓN UMBRAL (en algunos tratados se denomina VTH).
Por lo tanto, se pueden diferenciar dos zonas de operación para valores de VGS positivos:
– Si VGS< VT la intensidad IDS=0 (en realidad sólo es aproximadamente cero) y decimos que el transistor opera en inversión débil. En ella, las corrientes son muy pequeñas y su utilización se enmarca en contextos de muy bajo consumo de potencia. Se considerará que la corriente es siempre cero. De otro lado;
– Si VGS>=VT, entonces IDS es distinto de cero, si VDS es no nulo. Se dice que el transistor opera en inversión fuerte.
Cuanto mayor sea el valor de VGS, mayor será la concentración de cargas libres en el canal y por tanto, será superior la corriente IDS.
Regiones de operación.
Cuando ya existe canal inducido y VDS va aumentando, el canal se contrae en el lado del Drenador, ya que la diferencia de potencial Puerta-canal es en ese punto, más baja y la zona de transición más ancha. Es decir, siempre que exista canal estaremos en región óhmica y el dispositivo presentará baja resistencia.
La operación de un transistor MOSFET se puede dividir en tres regiones de operación diferentes, dependiendo de las tensiones en sus terminales. Para un transistor MOSFET N de enriquecimiento se tienen las siguientes regiones: región de corte, región óhmica y región de saturación.
Región de corte.
El transistor estará en esta región, cuando VGS < Vt. En estas condiciones el transistor MOSFET, equivale eléctricamente a un circuito abierto, entre los terminales del Drenador-Surtidor. De acuerdo con el modelo básico del transistor, en esta región, el dispositivo se encuentra apagado. No hay conducción entre Drenador y Surtidor, de modo que el MOSFET se comporta como un interruptor abierto.
Región óhmica.
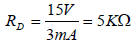
Cuando un MOSFET está polarizado en la región óhmica, el valor de RDS(on) viene dado por la expresión:
VDS(on) = ID(on) x RDS(on)
En casi todas las hojas de datos, asocian el valor de RDS(on) a una corriente de Drenaje (ID) específica y el voltaje Puerta-Surtidor.
Por ejemplo, si VDS(on)=1V y ID(on)=100mA = 0’1 A; entonces,
Rds(on)= 1V = 10 Ohms
100mA
Así mismo, el transistor estará en la región óhmica, cuando VGS > Vt y VDS < ( VGS – Vt ).
El MOSFET equivale a una resistencia variable conectada entre el Drenador y Surtidor. El valor de esta resistencia varía dependiendo del valor que tenga la tensión entre la Puerta y el Surtidor (VGS).
Región de Saturación.
El transistor MOSFET entra en esta zona de funcionamiento cuando la tensión entre el Drenador y el Surtidor (VDS) supera un valor fijo denominado tensión de saturación (Vds sat) Drenador-Surtidor; este valor viene determinado en las hojas características proporcionadas por el fabricante. En esta zona, el MOSFET mantiene constante su corriente de Drenador (ID), independientemente del valor de tensión que haya entre el Drenador y el Surtidor (VDS). Por lo tanto, el transistor equivale a un generador de corriente continua de valor ID.
Es decir; el MOSFET estará en esta región, cuando VGS > Vt y VDS > ( VGS – Vt ).
O sea, estaremos en la región de saturación cuando el canal se interrumpe o estrangula, lo que sucede cuando:
VDS ≥ VGS – VT → Región de saturación
Cuando la tensión entre Drenador y Fuente supera cierto límite, el canal de conducción, bajo la Puerta sufre un estrangulamiento en las cercanías del Drenador y desaparece. La corriente entre Fuente y Drenador no se interrumpe, es debido al campo eléctrico entre ambos, pero se hace independiente de la diferencia de potencial entre ambos terminales.
En la figura anterior, la parte casi vertical corresponde a la zona óhmica, y la parte casi horizontal corresponde a la zona activa. El MOSFET de enriquecimiento, puede funcionar en cualquiera de ellas. En otras palabras, puede actuar como una resistencia o como una fuente de corriente. El uso principal está en la zona óhmica.
Región de Ruptura.
Esta zona apenas se utiliza porque el transistor MOSFET pierde sus propiedades semiconductoras y se puede llegar a romper el componente físico. La palabra ruptura hace referencia a que se rompe la unión semiconductora de la parte del terminal del drenador.
Los transistores unipolares están limitados en tres magnitudes eléctricas:
–En tensión: no se puede superar el valor máximo de
tensión entre la puerta y el surtidor. Este valor se
denomina BVgs. Tampoco se puede superar un valor
máximo de tensión entre el drenador y el surtidor
denominado BVds.
–En corriente: no se puede superar un valor de corriente
por el drenador, conocido como Idmax.
–En potencia: este límite viene marcado por Pdmax, y es
la máxima potencia que puede disipar el componente.
Resumiendo:
Máxima Tensión Puerta-Fuente. La delgada capa de dióxido de silicio en el MOSFET funciona como aislante, el cual, impide el paso de corriente de Puerta, tanto para tensiones de Puerta negativas como positivas. Muchos MOSFET están protegidos con diodos zener internos, en paralelo con la Puerta y la Fuente. La tensión del zener, es menor que la tensión Puerta-Fuente que soporta el MOSFET VGS(Max).
Zona Óhmica. El MOSFET es un dispositivo de conmutación, por lo que evitaremos, en lo posible, polarizarlo en la zona activa. La tensión de entrada típica tomará un valor bajo o alto. La tensión baja es 0 V, y la tensión alta es VGS(on), especificado en hojas de características.
Drenador-Fuente en resistencia. Cuando un MOSFET de enriquecimiento se polariza en la zona activa, es equivalente a una resistencia de RDS(on), especificada en hojas de características. En la curva característica existe un punto Qtest en la zona óhmica. En este punto, ID(on) y VDS(on) están determinados, con los cuales se calcula RDS(on).
Capacidades parásitas.
Al igual que en los transistores bipolares, la existencia de condensadores parásitos en la estructura MOS origina el retraso en la respuesta del mismo, cuando es excitado por una señal de tensión o intensidad externa. La carga/descarga de los condensadores parásitos, requiere un determinado tiempo, que determina la capacidad de respuesta de los MOSFET a una excitación. En la estructura y funcionamiento de estos transistores se localizan dos grupos de capacidades:
1) Las capacidades asociadas a las uniones PN de las
áreas de Drenador y Fuente. Son no lineales con las
tensiones de las uniones. Se denominan Capacidades
de Unión.2) Las capacidades relacionadas con la estructura MOS.
Están asociadas principalmente a la carga del canal
(iones o cargas libres) y varían notoriamente en
función de la región de operación del transistor, de
modo que, en general, no es posible considerar un
valor constante de las mismas. Se denominan
Capacidades de Puerta.
De ellas, las capacidades de Puerta suelen ser las más significativas y dentro de ellas, la capacidad de Puerta-Fuente CGS y de Drenador-Fuente, CDS son en general, las dominantes.
En la siguiente figura, se muestran las curvas de entrada y salida de un transistor MOSFET N con Vt= 2V conectado en Fuente común (SC), es decir, el terminal de Fuente, es común la señal de entrada VGS y las señales de salida ID y VDS.
Estas curvas de salida, se obtienen al representar las variaciones de ID al aumentar VDS, para diferentes valores de VGS, es decir, ID=ƒ(Vds)VGS=cte.
La curva más baja es la curva de VGS(T). Cuando VGS es menor que VGS(T), la corriente de Drenador es extremadamente pequeña. Cuando VGS es mayor que VGS(T), fluye una considerable corriente, cuyo valor depende de VGS.
Si VGS≤VT, el transistor MOSFET, estará en la región de corte y la corriente ID=0.
Si VGS≥VT, el transistor MOSFET, estará en la región de conducción y se pueden dar dos casos:
a) Si VDS≥VGS-VT, el transistor MOSFET, estará en la región de saturación y la corriente será constante para un valor determinado de VGS. La curva de transferencia de la figura que representa ID=ƒ(VDS)VGS=cte., se obtiene a partir de las curvas de salida para una tensión VDS constante que sitúe al transistor en saturación. Se observa que aproximadamente corresponde a la curva de una parábola con vértice en VT y por tanto, la corriente puede determinarse de forma aproximada por:
ID=k(VGS-VT2
donde k es el parámetro de transconductancia del MOSFET N y se mide en mA/V2.
b) Si VDS≤VGS-VT, el transistor MOSFET, estará en la región óhmica de forma que, al aumentar VDS, también lo harán la corriente y la resistencia del canal. El comportamiento del transistor puede asociarse a la resistencia que presenta el canal entre Drenador y Fuente.
EL MOSFET COMO INVERSOR.
El funcionamiento del transistor MOSFET en conmutación implica que la tensión de entrada y salida del circuito posee una excursión de tensión, elevada (de 0 a VDD) entre los niveles lógicos alto H (asociada a la tensión VDD) y bajo L (asociada a la tensión 0). Para el nivel bajo, se persigue que VGS > Vt y que el transistor se encuentre trabajando en la región óhmica, con lo cual VDS << 1. Mientras que para en el nivel alto, se persigue que la tensión de salida sea elevada, y en general, que el transistor esté funcionando en la región de corte, con VDS >> 1. Se puede considerar que, el transistor MOSFET es capaz de funcionar como un interruptor.
El funcionamiento como inversor del transistor MOSFET N se basa en sus características en conmutación: pasando de la región de corte a la región óhmica.
El transistor MOSFET en conmutación, basado en un interruptor con resistencia de Drenador, es fundamental en circuitos digitales, puesto que la conmutación de corte a saturación y viceversa, implica unos tiempos de retardo de gran importancia en estos sistemas.
Inversor con carga pasiva. La palabra pasiva se refiere a una resistencia normal como RD. En este circuito Vin puede ser alta o baja.
Cuando Vin esta en nivel bajo, el MOSFET esta en corte y Vout es igual a la tensión de alimentación. Cuando Vin esta en nivel alto, el MOSFET esta en conducción y Vout cae a un nivel bajo. Para que este circuito funcione la corriente de saturación ID(sat) tiene que ser menor que ID(on).
RDS(on)<< RD
Se denomina inversor, por que la tensión de salida, es de nivel opuesto a la tensión de entrada. Lo único que se requiere en los circuitos de conmutación, es que las tensiones de entrada y de salida se puedan reconocer fácilmente, ya sea en nivel alto o bajo.
El MOSFET como interruptor.
Sabemos que si en un MOSFET la tensión entre la Puerta y la Fuente es menor que la tensión umbral, VGS<VT, el transistor está cortado. Es decir, entre los terminales de Fuente y Drenador, la corriente es nula, ya que existe un circuito abierto. Sin embargo, cuando VGS es mayor que VT se crea el canal, y el transistor entra en conducción. Cuanto mayor es la tensión de puerta menor es la resistencia del canal, y ésta puede llegar a aproximarse a un cortocircuito. Así, el MOSFET es capaz de funcionar como un interruptor.
El MOSFET como interruptor se emplea frecuentemente en electrónica digital, para transmitir o no, los estados lógicos a través de un circuito. Existe, sin embargo, una pequeña dificultad: cuando el MOSFET tipo N actúa como cortocircuito es capaz de transmitir las tensiones bajas; sin embargo las tensiones altas se ven disminuidas en una cantidad igual al valor de la tensión umbral.
Para que exista el canal bajo la puerta, la tensión en ésta ha de ser VH (VH > VT). Al transmitir VH, el terminal de la izquierda actúa como Drenador, ya que está a una tensión más alta, y el de la derecha como Fuente. A medida que la tensión en el terminal de Fuente aumenta, la tensión entre la Puerta y la Fuente, VGS, disminuye. Todo esto ocurre hasta que la tensión de la Fuente alcanza el valor VH-VT, momento en que VGS iguala la tensión umbral y el transistor deja de conducir.
En cambio, al transmitir la tensión VL el terminal de la izquierda actúa como Fuente y el de la derecha como Drenador. La tensión entre la Puerta y la Fuente permanece en todo momento constante, a igual a VH-VL (valor que debe ser superior a la tensión umbral), por lo que en el Drenador se llega a alcanzar VL.
De forma similar, el MOSFET tipo P transmite correctamente las tensiones altas, y falla en las bajas. Para evitar estos inconvenientes se conectan en paralelo dos transistores MOSFET, uno N y otro P.
Para terminar este punto, las tensiones bajas son transmitidas sin error por el MOSFET tipo N, mientras que las altas lo son por el tipo P. Esta configuración, se denomina puerta de paso. Para su funcionamiento, las tensiones en las puertas han de ser complementarias (cuando una es alta la otra es baja, y viceversa); esto se indica añadiendo un círculo a una de las puertas, o una barra sobre una de las tensiones.
Polarización de MOSFET.
Los circuitos de polarización típicos para MOSFET enriquecido, son similares al circuito de polarización utilizados para JFET. La principal diferencia entre ambos es el hecho de que el MOSFET de enriquecimiento típico sólo permite puntos de funcionamiento con valor positivo de VGS para canal n y valor negativo de VGS para el canal p. Para tener un valor positivo de VGS de canal n y el valor negativo de VGS de canal p, es adecuado un circuito de auto polarización. Por lo tanto hablamos de recorte de realimentación y circuito divisor de tensión para mejorar el tipo MOSFET.
Realimentación, circuito de polarización.
La siguiente figura, muestra el circuito de polarización con realimentación típico para MOSFET canal n de enriquecimiento.
Como se mencionó anteriormente, para el análisis en corriente continua, podemos reemplazar el condensador de acoplamiento por circuitos abiertos y también reemplazar el resistor RG por su equivalente en corto circuito, ya que IG = 0.
La figura, también muestra, el circuito simplificado, para el análisis con recorte de realimentación CC. Como los terminales de Drenaje y Puerta están en cortocircuito,
VD=VG
y VDS=VGS=> Vs=0 [1]
Aplicando la segunda Ley de Kirchhoff a los circuitos de salida, obtenemos,
VDD-IDxRD-VDS=0
si VDS=VDD-IdxRd [2]
o VGS=VDD-IDxRD; si VDS
=VGS [3]
Ejemplo practico: Para el circuito dado en la siguiente figura, calcular VGS, ID y VDS.
Solución: Tenemos que,

tenemos que,
Sustituyendo valores de VGS tenemos,
ID=K((12-Id x Rd)-Vt)2 =0.24 x 10-3[12-ID x 2 x 10-3-3]2
=0.24×10-3 [81 – 36000 ID + 4000000 I2D]
Así; ID = 0.01944 – 8.64 ID + 960 I2d
960 x I2D – 9.64 x ID + 0.01944 = 0
Esto es una ecuación de segundo grado y se puede resolver usando la fórmula habitual.
Resolución de ecuaciones cuadráticas, usando la fórmula
tendremos;
960xI2D-9.64xID+0.01944=0 donde,
Si calculamos el valor de VDS teniendo ID = 7.2477mA nos quedará,
Vds=Vdd-IdxRd=12-7.2477×10-3x2x103=12-14.495=-2.495
En la práctica, el valor de VDS debe ser positivo, por lo tanto Id =7.2477mA, no es valido.
Ahora, calculemos el valor de VDS teniendo ID = 7.2477mA, obtenemos que,
Vgs=12-2.794×10-3x2x103=12-5.588=6.412V
VGS=6.412V
Inversor con carga activa.
En la figura se muestra un conmutador con carga activa, el MOSFET inferior actúa como conmutador, pero el superior actúa como una resistencia de valor elevado, el MOSFET superior tiene su Puerta conectada a su Drenador, por esta razón, se convierte en un dispositivo de dos terminales, como una resistencia activa, cuyo valor se puede determinar con:
Donde VDS(activa) e IDS(activa) son tensiones y corrientes en la zona activa.
Para que el circuito trabaje de forma adecuada, la RD del MOSFET superior, tiene que ser mayor que la RD del MOSFET inferior.
En la figura anterior se indica como calcular la RD del MOSFET superior. Al ser VGS=VDS, cada punto de trabajo de este MOSFET tiene que estar en la curva de dos terminales, si se comprueba cada punto de la curva de dos terminales, se vera que VGS=VDS.
La curva de dos terminales significa que el MOSFET superior actúa como una resistencia de valor RD. Este valor RD cambia ligeramente para los diferentes puntos.
En el punto más alto; ID= 3mA y VDS=15V
En el punto mas bajo; ID= 0.7mA y VDS=5v
Una sencilla y práctica explicación del funcionamiento de un transistor MOSFET puede resumirse en que; al aplicar una determinada tensión (positiva respecto a GND) sobre la Puerta o Gate, dentro del transistor, se genera un campo eléctrico que permite la circulación de corriente entre el terminal Drenador y el terminal Fuente. La tensión mínima de Puerta para que el transistor comience a conducir (depende de su hoja de datos), por ej. para un IRFZ44N está ubicada entre 2 y 4V, mientras que la máxima tensión que podremos aplicar, respecto al terminal Fuente, es de 20V.
En conmutación y en saturación, en el caso del transistor MOSFET IRFZ44N, nos interesa aplicar 10V de tensión en la Puerta, para lograr la mínima resistencia entre Drenador y Fuente. En otro caso, no obtendremos el mejor rendimiento, por la mayor disipación de calor, debido a una mayor resistencia a la circulación de corriente entre Drenador y Fuente. No se debe sobrepasar la tensión VGS máxima de 20V, ya que el transistor se estropeará. En cambio, si la tensión de Puerta no alcanza los 2 a 4V, el transistor no entrará en conducción.
Recapitulemos.
Consideremos, el caso de utilizar el MOSFET en conmutación, se debe aplicar la señal de activación del MOSFET con un flanco de subida muy corto en tiempo, al igual que el flanco de bajada. Tal vez con un ejemplo quede más claro.
No es conveniente aplicar la salida de un microcontrolador directamente a un MOSFET, las razones son evidentes. Existe gran variedad de drivers comerciales, adecuados para cada necesidad. Por lo tanto, siempre, se debe emplear un driver. El más sencillo sería un transistor, como se muestra en la figura que sigue.
En el esquema de la figura, la salida del micro, se aplica a R1, cuando la tensión sea positiva, el NPN conducirá en saturación, por lo tanto, su colector estará aproximadamente a GND y como consecuencia, el MOSFET, no conducirá. En el caso de que a la base del NPN le llegue una tensión negativa o cercana a GND, el transistor no conducirá y la tensión en su colector será cercana a la tensión Vcc, esto hace que el MOSFET se comporte como un interruptor cerrado, dejando pasar la máxima intensidad (IDds).
Que hace el transistor NPN, conmuta su estado entre Vcc y GND, la cuestión es que, lo debe hacer con un tiempo muy corto, al pasar de un estado alto a un estado bajo y viceversa. Esto se consigue, reduciendo en lo posible las capacidades, existentes incluso en los propios transistores BJT. Puesto que lo que pretendemos es que el MOSFET, no trabaje en la zona óhmica, para evitar las perdidas que se evidencian con el calor que desprenderá en su caso.
Mejorando el circuito anterior, podríamos añadir un par de transistores BJT más, para reducir el tiempo se subida y bajada al conmutar los niveles de tensión, veamos la siguiente figura.
Cómo se comporta en este caso el circuito. Supongamos un nivel alto, en la salida del primer transistor NPN, al llegar a la base del transistor NPN de arriba, éste, conducirá en saturación y por tal motivo, también lo hará el MOSFET. Entre tanto, el ante dicho nivel, al llegar el transistor PNP de abajo, hará que se corte dicho transistor, no conduciendo. En el supuesto de tener, un nivel bajo en la salida del primer transistor NPN, el llegar a la base del segundo NPN, éste no conducirá, sin embargo, el transistor PNP se comportará como un interruptor cerrado, conduciendo en saturación, lo que hará que el MOSFET, se bloquee o corte su paso de corriente. Supongo que ahora está, más claro.
Naturalmente, el estudio del transistor MOSFET, requiere un calado mayor, aquí, sólo he querido hacer hincapié en los conceptos más relevantes, si bien es cierto, sin entrar en demasiados detalles. Entiendo que los lectores, actualmente disponen de medios y lugares donde adquirir conocimientos más profundos si es de su interés.
Esto es todo, por este tutorial de teoría, los que quieran leer más sobre el tema, lo pueden hacer consultando libros de texto de los distintos autores.
Referencias.
-Bakshi, U.A.; Godse, A.P. (2007) «8.2
The depletion mode MOSFET». Electronic Circuits
ISBN 978-81-8431-284-3.
-«1960 – Metal Oxide Semiconductor (MOS) Transistor
Demonstrated»: John Atalla and Dawon Kahng
fabricate working transistors and demonstrate the
first successful MOS field-effect amplifier
(issued in 1963).
-«The Silicon Engine | 1948 – Conception of the
Junction Transistor». Computer History Museum (2007).
-TECNOLOGÍA ELECTRÓNICA. L. Gomez de Tejeda.
-Técnicas electrónicas digitales.
A. Hermosa Donate. 1997
-«El transistor MOSFET capitulo4»
-«Tema4 El MOSFET»
-«Tema6 – transistores MOSFET«




















Gracias por tan valiosa información sobre los Mosfest de potencia.
Quisiera información sobre los IGBT, que en la actualidad son los semiconductores más importanres en la electrónica de poencia.
Att.
Livio Ortega
Gracias por tus palabras.
Siento no poder dar respuesta válida a tu petición, las tareas que tengo entre manos no me dejan tiempo para darte una respuesta como me gustaría.
Lo siento.
Saludos Vicente.
Mi pregunta es si puedo remplazar esta referencia FHP80NO7 POR FHP80N10 SON TRANSISTOR ESTE ES MI CORREO ariel.torres.quiroz@hotmail.com
BUENAS AMIGOS ME GUSTARÍA ME EXPLICARAN COMO PUEDO CONECTAR MOSFET EN PARALELO PARA GANAR CORRIENTE. PUEDEN EXPLICARLO CON DIAGRAMAS Y EJEMPLOS CLAROS? OTRA PREGUNTA POR QUE EXPLOTAN LOS MOSFET EN UNA UPS QUE TIENE AÑOS FUNCIONANDO BIEN Y DE REPENTE PUFF EXPLOTAN? POR FAVOR GRACIA A TODOS Y ESPERO PUEDAN AYUDARME. SALUDOS!
No hay mucho para decir, solo conecta Drenador y Source directamente, y para caga Gate su resistencia individual.
me parece excelente esta pagina web, mi agradecimiento ya que tengo que presentar un trabajo de tesis sobre semiconductores y estoy recopilando informacion practica y real para mi titulacion, espero no molestarlos. gracias buenas tardes a todos de esta comunidad de estudiosos y buscadores de mas actualizacion en la electronica.
Gracias a ti por tus palabras y si puedo ayudarte ya sabes.
Saludos Vicente.
Amigos .una pregunta como puedo reducir un voltage de 53v 35A .he leido que se puede hacer con reguladores de conmutacion ..algun diagrama.bueno que redusca u lo suba de nuevo.agradeceria su respuesta..
Hola abel palomino.
Quiero entender que necesitas reducir una tansión de 53V a una de 35V (no 35A), no es tan sencillo, necesitaríamos conocer la corriente que tienes que exigirle, entonces estaríamos en condiciones de darte una respuesta coherente.
Aclara este punto.
Saludos.
Has hecho una explicación muy didáctica. Muchas gracias por «desasnarnos» un poco. Excelente
Gracias amigo Juan Suárez.
Mi transitor A953se me daño que otro número parecido le puedo colocar o en qué aparato lo puedo conseguir
Tengo una fuente de un tv lcd memorex,modelo MLT3221,a la cual se le quemaron 2 resistencias la R25,R26, la dos van a tierra,y el otro extremos va a SOURCE,del transistor mosfet 18N50,quisiera saber si tienen información del valor de esas 2 resistencias,ya que no he podido encontrar el diagrama de este fuente,les agradecería si alguien me pudiera dar esa información,gracias.
Muschisimas gracias por su explicacion profesor, no sabe la gran ayuda que me ha sido su pagina web, es muy didactico y facil de entender, se ve que tiene vocacion para la enseñanza
Gracias Moisés por tus palabras.
Muschisimas gracias por tan explicita explicación sobre los mosfet , es usted un excelente profesor.
Hola Geovany.
Gracias por tus palabras.
Hola, interesante tema.
Al parecer hay una inconsistencia en lo referente a la polarización:
Dice «el terminal Fuente (Gate)».
Los dos términales son distintos,
Gate= Compuerta
Source= Fuente
por favor hacer la aclaración
Hola Alex.
Gracias por la apreciación, este tipo de error se suele presentar muy de tarde en tarde y resulta muy difícil de detectar. Ya está rectificado.
Gracias denuevo.
Muy buena información, esta completa acerca de los transistores MOSFETs, muchas gracias!
Hola JJohnny, gracias.
Saludos,
Me preguntaba como es posible obtener en la salida de un mosfet conectado a la carga resistiva 200V si en la Vgate solo permite un maximo de 20VDc max en el caso del IRF530, siempre habia entendido que en un transistor la tension de salida era igual a la Vgate-Vsat esto en el caso de los transistores bipolares, en los mosfet alguien me podria decir como funciona el conocido puente en H, inversores y demas que utilizan mosfet o transistores? ( en simulaciones he visto como en la Vgate tienen 400V para conmutar una carga de 400V)
Un cordial saludo
Q tal, el Vgate es el voltaje de activacion, y para el IRF530 que mencionas es de 10V, si quieres conectar una carga resistiva de 200V a la salida del IRF530 lo dañaras ya que este soporta 100V VDS, debes tratar de usar otro con un VDS superior al voltaje de tu carga, adicionalmente estar pendiente del valor de la corriente de la carga para poder usar un mosfet que soporte el voltaje y la corriente de tu carga… Saludos desde Venezuela a todos
Hola, para saber si los transistores mosfet pueden controlar una carga inductiva no lineal, es para una maquina soldadora a radio fracuensia que cada ciclo que hace conmuta un contactor mecanico y por ende se queman los contactos muy frecuente?
Estoy viendo si lo reemplazo por un relay de estado solido (mosfet). por esta razon quiero saber si el circuito oscilador de la maquina no se vera afectado por las corrientes paracitas.
gracias
Hola Denis Martinez Mina.
Teóricamente debería soportar la carga inductiva, siempre que se tomen las precauciones adecuadas para evitar en lo posible los altos picos que se generarán en cada disparo. Realmente se tiene que dimensionar muy por arriba las corrientes de uso y como en este caso suelen ser bastante elevadas, resultan más complicadas de controlar y por ese motivo hay que sobre-dimensionar los parámetros.
Mi poca experiencia en este campo no me permite una descripción de mayor conocimiento y considero que debes dotar de filtros adecuados que sólo se pueden calcular para ese entorno de trabajo, no siendo de aplicación en otro caso y entorno.
Lamento no poder ayudarte con más acierto de lo dicho.
Saludos
Hola me interesa mucho este tema,me gustaria que me enviaran a mi correo electronico,soy profesora de electricidad
Hola Yanelis Perez Rodríguez.
No termino de entender que necesitas. Si eres tan amable, ¿puedes describir un poco lo que necesitas?
Si está en mis manos no dudes en tener una respuesta.
Saludos.
GRACIAS POR TAN ÚTIL,DIDÁCTICO…VALIOSO APORTE.
Gracias a ti Pedro.
Buenos días, noto que hay un error en la ecucación
tenías un valor de 8,64 y luego colocaste abajo 9,64, por lo cual los valores dan de otra forma
Hola Bryan.
Ciertamente tus calculos son correctos. Aunque se trata de un ejemplo, en mi trabajo, hubo un desliz que gracias a ti he comprobado que los resultados difieren de los que aparecen en la imagen del artículo.
Según he comprobado las soluciones son 5mA y 3’9mA
Gracias por la corrección.
Saludos.
Muy buena explicación. Gracias!
Excelente exposición. Felicitaciones.
No se si estará a tu alcance poderme hacer llegar algún plano esquemático detallado de un inversor de 12vdc a 110vac 60hz que sea estable de onda senoidal pura pues creo es el más apropiado para todo tipo de dispositivos, circuito que haya sido probado, de al menos 1000 o 2000 wats.quieri hacerlo yo desde cero.
Agradecido de antemano.
Hola Ramón Laynez.
Gracias por tus palabras.
Respecto al inversor que comentas, lamento decirte que por falta de tiempo no tengo experiencia en este tema por lo que no puedo ayudarte.
Saludos.
buenas noches profesor : Ud podria plantear un ejemplo para allar impedancia? gracias
Hola Maria C.
Entiendo que te refieres a la impedancia ZIN de un MOSFET.
El MOSFET se utiliza mucho en amplificadores de audio debido a su alta impedancia de entrada ZIN, debes recordar que cuando polarizamos el transistor lo que nos interesa es que funcione en la zona de saturación. Otra parte muy importante, el voltaje VGS < 0 es decir se comporta como un diodo en polarización inversa, o sea es un voltaje negativo y no hay que olvidar que una polarización inversa de un diodo o sea IG = 0 o muy cercana a 0 es decir, no circula corriente y según la Ley de Ohm, dice que la resistencia es la relación voltaje / corriente; R = V / I, donde si I ≈ 0, la impedancia R tiende a infinito (R ≈ ∞). En definitiva, en la practica la impedancia de entrada de un MOSFET va a obtener una impedancia altísima muy cercana a infinito ZIN, lo que hace que se utilice en acopladores de impedancia en dispositivos de audio.
Espero haber dado respuesta a tu consulta.
Hola Profesor.En un circuito,variador de velocidad, que usamos el mosfet con señal en gate de PWM,que es mas conveniente para la duracion del mosfet,que el arranque o pare ,del regulador sea interrumpiendo el voltage de gate ?,o el voltaje del surtidor o fuente? O es indistinto para el mosfet?Alguna de estas formas ,puede dañar el mosfet?
Desde ya mi agradecimiento,por su atencion,y lo felicito por la explicación ,detallada de los mosfet.
Saludos.
Muchas gracias, muy buen material. Aprendí bastante acerca de lo que estaba buscando e incluso mas, y eso me tiene muy contento.
Gracias
Hola cristian mendoza m
Me alegra que hayas aprendido algo de lo que buscabas, ese es el motivo que me impulsa a seguir.
Gracias por compartir.
Leí atentamente tu exposición con respecto al mosfet,cada tanto repaso estas publicaciones ya que tengo una edad que cuando comencé a estudiar este maravilloso mundo de la electrónica, allá por principios de los 70′ recién empezábamos a conocer los transistores y sus enormes posibilidades,gracias por dar sus conocimientos de esta forma mucha más personas entenderán los beneficios se estos dispositivos.
Hola Felix oscar
Gracias por tus palabras. Efectivamente, esos eran otros tiempos de los que disfrutamos pasando las penalidades que todos nosotros conocemos, lo hemos superado y ahora todo parece un sueño, los jóvenes pueden aprender e investigar los caminos que les interesen.
Algo hemos logrado.
Saludos.
Hola profesor,tengo un equipo RCA modelo RTD 207 que tiene danado el MOSFET P24NF10,necesito un equivalente
Hola Luis Gabino Rodríguez Moliner.
Es más sencillo buscar en Google, de todos modos te diré que los parámetros básicos son la tensión es de 100V,
la corriente es de 26A y lo más preocupante la Ro es de 0’005Ω esto es más difícil de encontrar para conseguir
un equivalente, por eso te digo que busques en Google.
Saludos.
Muchas gracias profesor
Holaaaaa
¿Una pregunta el transistor con Conmutador como se aplica en la industria?, Me podría decir por fa
Una pregunta: una vez polarizado correctamente el mosfet, la corriente siempre circula de Drain a Source en canal N y de Source a Drain en el canal P, esto es correcto?…o siempre circula la corriente de Drain a Source en ambos mosfets?
Hola Margarito Martinez Cuervo.
Considero que deberías volver a leer el artículo y también alguna hoja del fabricante de los MOSFETS que te interesen.
Saludos.
Hola, este sitio me ayudo muchísimo con un trabajo que tengo que presentar sobre semiconductores, se entiende perfecto lo que dice. Lo voy a recomendar al 100%. Te agradezco por compartir tu conocimiento.
Hola Juan.
Se agradecen tus palabras.
Saludos.
¿Como podría diferenciar entre un Mosfet de deplexion y un MOSFET de acumulación?
Muchas gracias, muy buen material.
Saludos.
Hola Yeferson.
Estaría muy bien que consultaras al sr. google. En muchas ocasiones te responde de forma correcta. De todas formas, no se si tienes pensado dedicarte a fabricar este tipo de transistor, así que , te diré los siguiente:
MOSFET de canal N de deplexión (normalmente on): el sustrato semiconductor es tipo P y existe canal a tensión de puerta nula. Se puede hacer desaparecer al canal con la aplicación una tensión apropiada a la puerta.MOSFET de canal P de deplexión (normalmente on): el sustrato semiconductor es tipo N y existe canal a tensión de puerta nula. Se puede hacer desaparecer al canal con la aplicación una tensión apropiada a la puerta.MOSFET de canal N de enriquecimiento (normalmente off) o acumulación: el sustrato semiconductor es tipo P y no existe canal a menos que apliquemos la tensión necesaria a la puerta para que esto ocurra.MOSFET de canal P de enriquecimiento (normalmente off) o acumulación: el sustrato semiconductor es tipo N y no existe canal a menos que apliquemos la tensión necesaria a la puerta para que esto ocurra.Saludos.
Muchas gracias por tu trabajo y aporte, me fueron de utilidad. gracias
Hola Miguel
Gracias por tus palabras y me alegra que te sirva.
Saludos y Feliz Año Nuevo.
Hola, estaba ojeando su blog, y me encantó, y me gustaría suscribirme,, pero no lo he conseguido aún. Un Saludo.
Hola Francisco Javier Menayo.
Gracias por tus palabras, no entiendo que esta ocurriendo en tu caso, normalmente cada día entran nuevos suscriptores y no tenía conocimiento de algún problema. Vuelve a intentarlo, no obstante si no pudieras entrar por el FeedBurner puedes entrar por cualquier artículo y hacer tu consulta en caso de necesitar ayuda.
Saludos y cuídate.
Muchas gracias por esta información tan completa, tengo una inquietud que agradezco me resuelvan: estoy probando el transistor mosfet de referencia 40T03GP y aparentemente esta bueno porque no indica corto entre sus terminales, el diodo Damper esta bien, la resistencia entre Drain y Source marca infinito, pero cuando activo el gate esta resistencia desciende drásticamente a 0.1Ω. Al deshabilitar el Gate la resistencia entre D y S vuelve a infinito.
Evidentemente la resistencia entre D y S debe disminuir pero me queda la duda si es normal que llegue a 0.1Ω o está deteriorado este transistor.
Muchas gracias por su respuesta.
Hola, Alejandro Castel.
Por lo que comentas, sin duda, el Mosfet en cuestión parece estar bien, claro, si atiendes a lo que indica el fabricante y dando por supuesto que tu polímetro no es capaz de medir centésimas de Ohmio. Seguro que no has mirado las hojas de especificaciones del fabricante que dice:
ESPECIFICACIONES MÁXIMASDisipación total del dispositivo (Pd): 31.25 W
Tensión drenaje-fuente |Vds|: 30 V
Tensión compuerta-fuente |Vgs|: 25 V
Corriente continua de drenaje |Id|: 28 A
Temperatura operativa máxima (Tj): 150 °C
CARACTERÍSTICAS ELÉCTRICAS
Tensión umbral compuerta-fuente |Vgs(th)|: 3 V
Tiempo de elevación (tr): 62 nS
Conductancia de drenaje-sustrato (Cd): 145 pF
Resistencia drenaje-fuente RDS(on): 0.025 Ohm
Empaquetado / Estuche: TO252
Espero que te sirva. Saludos y cuídate.
Muchas gracias por su ayuda profe, otra pregunta:
¿El parámetro: “Resistencia drenaje-fuente RDS(on): 0.025 Ohm”
Quiere decir que cuando active el Gate del MOSFET la resistencia entre Drain y Source es literalmente un corto circuito?
Gracias por su respuesta.
Muy buen articulo, completo, entendible y eficiente, me ayudará en mis proyectos, un saludo maestro.
Gracias!!!!!
Hola, tengo una pregunta, lo que pasa es que tengo un mosfet que no logro encontrar la hoja de datos exacta, es el mosfet IRF 3205 P702P AS0Q hice un circuito sencillo para ensayarlo y aplicando un GVS =0 el mosfet conduce, y cuando aplico una tensión de 5V el mosfet deja de conducir. Cree que esté averiado?
En la web encontre el datasheet de un mosfet parecido, el IRF3205, pero no es exactamente el mismo, y de ahi me guie para ubicar los pines.
Hola Elmer.
Por lo que dices, más parece que estás confundiendo las patillas del Mosfet, asegúrate de cuales son
el Gate, el Driver y el Sours.
Si lo tienes claro y sigues con el mismo resultado es seguro que no está bien.
Saludos y cuídate.
Cuando habla en la ultima parte «Recapitulemos» no veo como se satura el transitor PNP al saturarse el 1er NPN ya que coloca 0,2 v en la base del PNP. Entiendo cuando el NPN de arriba se satura, pero como se satura el PNP al no haber voltaje negativo? Entiendo que el tren de pulsos en la entrada es de ceros y unos positivos. Gracias.
Hola Jimmy Sanchez.
En el ejemplo se sobre entiende que los transistores NPN y PNP son ideales, o sea, que los tenemos configurados para que se encuentren en cada caso en saturación y en corte según se le exige en cada momento. Por lo tanto, no veo problema alguno, la tensión de 0,2V se entiende que ha de acercarse a 0V para que efectúe su trabajo como es debido.
Saludos y cuídate.
hola buenas noches .. tengo una netbook novatech del gobierno generacion 4. y no encuentro el mosfet .. me daria una ayuda x favor gracias ..
Hola fabian.
Tengo poca información con lo que dices, pero te aconsejo que busques un equivalente
mira el código que tiene en la capsula y empieza a buscar, mira en google.com
Saludos y cuídate.
Hola. Me gustaría saber por qué en un oscilador por variación de fase fabricado a partir de un MOSFET permite que este oscile su voltaje y la frecuencia del mismo.
Muy buenos días Señor Vicente García: Mi nombre Carlos Valenzuela, vivo en Puerto Ordaz, Estado Bolívar, Venezuela. Mi correo es Carluchovalenzuela@hotmail.com y tengo que reparar 8 equipos de estimulaciòn muscular estos equipos son muy antiguos, los cuales tienen el mismo problema el cual esta ubicado en cuatro TIF122 el cual tiene en su parte baja del numero de parte las letras D,G,S que me indican que es un Mosfet entre los treita y dos que esta dañados encontré uno con el cual comprobé que si es un mosfet y es canal N pero no consigo las demás características electricas pues no existe en las paginas web y el caso que como no tengo sus valores no puedo sustituirlo por otro similar estos aparatos aparentemente fueron fabricados en 1992 cuan empezaron a salir los mosfet a la industria como consigo los parámetros para poder sustituirlos. Atentamente Carlos Valenzuela.
Muy buenos días Señor Vicente García: Mi nombre Carlos Valenzuela, vivo en Puerto Ordaz, Estado Bolívar, Venezuela. Mi correo es Carluchovalenzuela@hotmail.com y tengo que reparar 8 equipos de estimuladociòn muscular estos equipos son muy antiguos, los cuales tienen el mismo problema el cual esta ubicado en cuatro TIF122 ( TO220F) el cual tiene en su parte baja del numero de parte las letras D,G,S que me indican que es un Mosfet entre los treinta y dos que esta dañados encontré uno con el cual comprobé que si es un mosfet y es canal N pero no consigo las demás características electricas pues no existe en las paginas web y el caso que como no tengo sus valores no puedo sustituirlo por otro similar estos aparatos aparentemente fueron fabricados en 1992 cuan empezaron a salir los mosfet a la industria como consigo los parámetros para poder sustituirlos. Atentamente Carlos Valenzuela.
Hola Carlos Luis Valenzuela Ibàñez.
Tu consulta me interesa en cierto modo, me has dicho muchas cosas respecto al transistor MOSFET, pero hay una cosa, dicen que una imagen vale por mil palabras, quiero decir que a falta de una imagen debes darme datos físicos del dispositivo que se trate, en este caso la cápsula TO220 y canal N están muy bien pero no me has dicho (entiendo que son de potencia) la función ya que para un dispositivo de estimulación muscular no es recomendable mucha potencia, ya que normalmente se trabaja con miliamperios y la tensión entre los 5V y los 12V.
Así que, entre estos datos puede una idea aproximada de los datos del MOSFET que necesitas. Yo diría, por los datos que me has dado, que un MOSFET como IRF 540, IRFP240, IRFZ44n, etc.
Lamento no poder ayudarte más. Espero te sea de ayuda. Hace muchos años 1976. tenía una empresa que fabricábamos dispositivos para salones de esteticien que llevaban esa opción de estimulación muscular.
Espero te sirva. Saludos y cuidate.
Bueno pues yo puesto 6 mosfet 3 y 3 en push-pull creo que asi se llama, y con una señal en puerta de 3 v no me disparan, la verdad no se que hacer. Muy interesante el tema. Muchas gracias.
Hola Thomas.
No tengo suficientes datos, por ejemplo, de que Mosfet se trata eso es básico, si miras en sus hojas de datos te dará la tensión de disparo y otra cosa que es importante, cómo vas a disparar los Mosfet, como interruptores o en la zona resistiva. Como veras hay mas preguntas que impiden la respuesta.
Saludos.
Buenas tardes tengo algunas preguntas sobre los MOSFET:
* Si un transistor con puerta y drenador cortocircuitados siempre
está en saturación cuando no está en corte? como explico esto?